摘 要:长炉龄冲天炉是大批量生产的需要.由于西南地区焦炭质量限制,用云贵地方焦是一种经济的选择.本文较详细地说明了使用云贵地方焦层焦耗12%时,铁液温度可高达1500℃,并使炉龄达到5~8天的效果和有关经验.
关键词:冲天炉 高温优质铁液 熔炼
Abstract: The long furnace lining duration soars to the heavens the stove is the mass production needBecause southwest local coke quality limit,Is burnt with the Yunnan and Kweichow place is one kind of economical choiceThis article in detail showed uses the Yunnan and Kweichow place burnt layered coke to consume time 12%,The hard fluid temperature may reach as high as 1500 ℃,And enables the furnace lining duration to achieve 5 ~ 8 day-long effects and the related experience Key word: Soars to the heavens the stove high temperature high quality iron fluid smelting
1、云贵地方焦的特点
云贵土焦的生产方式简单方便,生产单位很多,质量差别很大,并不是任何一种土焦都可以用来作10t/h炉的燃料的。为此我们选择了磷、硫含量低,固定碳含量不低于80%,强度相对较高的焦炭作试生产用。在试生产中我们也不敢贸然行事,因为从强度上看,云贵土焦确实达不到10t/h炉对焦炭质量的要求。试验分三步进行,第一步全部采用从山西雨田公司购的二级铸造焦,第二步是铸造焦与土焦联合使用,第三步在确有把握后才全部用云贵土焦进行熔化。两种焦炭的主要技术指标如表1示。
表1 云贵土焦与山西铸造焦的主要经济技术指标
| 焦炭种类 |
固定碳 (%) |
含S量 (%) |
灰分(%) | 挥发分(%) | 碎焦率(%) | 单价/(元/t) |
| 云贵土焦 | 82-86 | 0.2-0.5 | 12-16 | 1.2-2.0 | 25-30 | 410 |
| 山西铸造焦 | 85-87 | 0.4-0.5 | 10-12 | 1.0-1.3 | 0 | 910 |
由于没法检测强度指标,我们做了碎焦率测试,即将合格的焦炭加入焦炭定量斗,经长60m、落差6m的皮带运输机送至加料斗后,测量不合格块度所占比例,以比较两种焦炭的强度差别。
2、10t/h长炉龄外水冷冲天炉的特点
该炉的结构特点是特大双炉运用在大型水冷炉上,有良好的底焦燃烧过程,铁液具有很好的过热距离,从而保证了高温铁液的获得。这样便为我们使用地方焦提供了保证。
3、熔炼结果
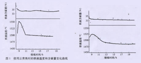
经过一段时间探索后,无论使用二级铸造焦或优质地方焦,都取得了较为良好的实际效果。如图1及图2所示,当焦耗为12%时用二级铸造焦铁液平均温度大1489℃,铁液中含碳量的波动为+0.07—0.01。当用优质地方焦焦耗为12%时,铁液平均温度为1507℃,碳含量的波动为+0.24~-0.13。
由上可知,无论采用那种焦炭都能满足生产需要,但是在用地方焦时,生产成本则大幅度下降(表2)。在西南特有的原材料条件下,为铸造行业的大批量生产提供了优越的条件。
4、用云贵土焦熔炼时的几点经验
(1)、精心操作,保证热制度的稳定
| 焦炭种类 | 铁焦比 | 单价/(元/t) | 用焦成本/(元/t铁液) | 备注 |
| 云贵土焦 | 7.1 | 410 | 57.7 | 铁液温度在1450℃时计算 |
| 山西铸造焦 | 7.1 | 910 | 118.2 |
与常规短周期冲天炉相比,长炉龄冲天炉生产特点是工作周期长,具有连续性。这样希望在开炉过程中炉内温度不要出现大起大落的变化。否则会造成炉内或风口挂渣、结铁,出现炉子工作不稳定的状况,严重时会使炉子在工作2-3天后被迫打炉。所以,保证热制度的稳定,除了不随意停风外,还应根据条件选定合理的送风量,并保持定值送风状态,尽力保持在一个工作日中铁液温度稳定。
我公司采用双联熔炼的配置,要求冲天炉铁液温度在1450±10℃范围,便能满足生产要求。因此,我们确定的层焦耗为13%~14%,并不允许随意变动,其目的也在于保证热制度稳定。
(2)、精确控制熔剂用量
熔剂用量的大小,决定了炉渣的情况,特别是炉渣的流动性对长炉龄冲天炉而言尤为重要。首先,长炉龄冲天炉一般都有连续渣铁分流器,如果炉渣流动性不良,会造成分渣困难和粒化不良;其次,如果炉渣流动性不好易造成炉内和风口挂渣,甚至炉渣堵塞风口的事故。
(3)、铁液温度不宜太高
云贵焦的特点是固定碳含量高,强度差,焦炭块度小,铁液增碳率高。与铸造焦相比增碳率高出6~8倍。
在试炉初期担心因地方焦不能保证铁液温度,而使用高底焦操作,结果铁液温度在1480℃以上时,迫使废钢加入量达到50%~60%,即使如此也难于保证含碳量的合格,并因废钢质量和清洁度差使炉内渣量增大,稍不注意就会造成炉内挂料渣结铁现象,使炉子熔炼状况每况愈下,并严重影响炉子寿命。
(4)、防止炉壁结渣
一般来说,外水冷冲天炉到开炉的后几天,由于冷却水的影响,容易在炉壁结渣。因此,在需要打炉的一天在配料的时候必须降低铁焦比,同步提高送风量,以冲洗炉壁,减少炉壁结渣。
5、结论
(1)、实践表明,江阴市铸造设备厂制造的长炉龄冷风大排距双层送风冲天炉的设计是合理的。
(2)、只要精心操作,加强管理,在长炉龄冲天炉上,用云贵优质地方焦同样能获得稳定的熔化效果。
(3)、使用云贵地方焦可以大幅度降低生产成本,为云贵地区冲天炉连续式生产的发展创造优势。
